带电作业用绝缘胶垫(毯)的要求
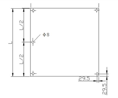
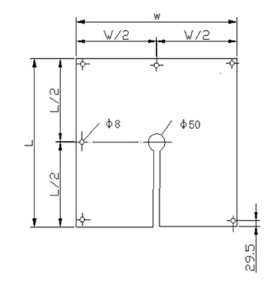
1带点用绝缘胶垫(毯)样式 绝缘胶垫(毯)的形状可以使平展式的,也可以是开槽式的

图8-1 平展式绝缘胶垫

图8-2 开槽式绝缘胶垫
2带点用绝缘胶垫(毯)尺寸 绝缘胶垫(毯)尺寸及允许误差见表8-5
表8-5 绝缘毯尺寸及允许误差
|
尺寸* |
|||
|
平展式 |
开槽式 |
||
|
长度L(mm) |
宽度W(mm) |
长度L(mm) |
宽度W(mm) |
|
910 |
305 |
- |
- |
|
560 |
560 |
560 |
560 |
|
910 |
690 |
910 |
910 |
|
910 |
910 |
- |
- |
|
2338 |
910 |
1160 |
1160 |
*除了1160×1160开槽式绝缘毯外,允许误差均为±15mm;开槽式1160×1160绝缘毯的允许误差为±25mm。
3厚度。
1)为了有适合的柔软度,绝缘毯的最大厚度规定见表8-6。
表8-6 绝缘毯的最大厚度(mm)
|
级别 |
0 |
1 |
2 |
3 |
|
橡胶类材料绝缘毯 |
2.2 |
3.6 |
3.8 |
4.0 |
|
塑胶类材料绝缘毯 |
1.0 |
1.5 |
2.0 |
- |
2)最小厚度不予限定,但必须通过DL/T 803 《带电作业用绝缘毯》所规定的实验。
3)A H M S类和Z类绝言谭所需增加的额外厚度不应超过0.6mm。
4工艺及成型。绝缘毯上下表变应不存在有害的不规则性。有害的不规则性是指下列特征之一:破坏其不均匀性损坏表面光滑轮廓的缺陷,如小孔裂缝局部隆起切口夹杂导电异物折缝空隙凹凸博文及铸造标志等。无害的不规则性是指在生产过程中形成的表面不规则性。如果其不规则性是属于以下状况,则是可以接受的。
1)凹凸的直径不大于1.6mm,边缘光滑,当凹陷处的反面包敷在拇指上扩展时,正面不应有可见痕迹。
2)绝缘毯上如1)中描述的凹陷在5个以下,且任意两个凹陷之间的距离大于15mm。
3)当拉伸时,凹槽或模型标志趋向于平滑的表面。
4)表面上由杂志形成的凸块不影响材料的延展。